
| 型号 | |
|---|---|
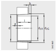
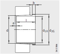
| 型号 | AH24034 |
| 尺寸 | |
| d 1H | 160 |
| d | 170 |
| l | 106 |
| a ≈ | 11 |
| b | 16 |
| d 2G | M180×3 |
| 安装尺寸 | |
| R 0 | - |
| e | - |
| t | - |
| 质量m ≈kg | |
| 质量m ≈kg | 2.76 |
河北巴捷轴承制造有限公司专业销售 巴捷-AH24034-紧固件和止动件, 巴捷-AH24034-紧固件和止动件 相关信息有: 型号 巴捷-AH24034 内径: 外径: 厚度: 类别:紧固件和止动件 ,想要更多的了解 巴捷-AH24034-紧固件和止动件 的相关信息,可以进行在线咨询或者拨打热线电话 ,我们会详细为您服务。
巴捷-AH24034-紧固件和止动件 使用范围很广,巴捷-AH24034-紧固件和止动件 主要应用于工程机械、机床、汽 车、冶金、矿山、石油、机械、电力、铁路等行业,本公司销售的 巴捷-AH24034-紧固件和止动件 价格合理,保证质量,全方面的服务,尽一切满足客户的需求。

